ヤボシ トラックレール・ハンガーレール(スチール製) 3号/3640mm 3TR36

工事ブック掲載 2〜3出荷 個別運賃
商品名 ヤボシ トラックレール・ハンガーレール(スチール製) 3号/3640mm 3TR36
販売単位 1本
商品コード 01303126
型式 3TR36
トラスコ品番 495-3840
JANコード 4518462000651
メーカー (株)ヤボシ
販売価格 ¥9,790(税込) / ¥8,900(税抜)
在庫数 17
買い物かごへ入れる
メーカー取寄便

【ご注意】※個人宅(戸建住宅・集合住宅)配送不可 ※車上渡し ※個別配送料

【特長】●ウレタン樹脂塗料をレールの内外に被覆しており強力な密着性とシルバーグレーの落ち着いた美しい色調に仕上げています。
【用途】●軽量〜重量建具・ビニールシート(カーテン式)・作業工具吊り・軽量物の運搬など、様々な用途に。
●工場・倉庫のドア、ビニールカーテン等の開閉、工事現場の仮設パネルゲート、防塵・防音シート、工具・電設資材ケーブルの吊り込み、製品等の移動、トラック車両テントの開閉、農業資材の運搬、ゴミ置場、牛舎のドア等に。
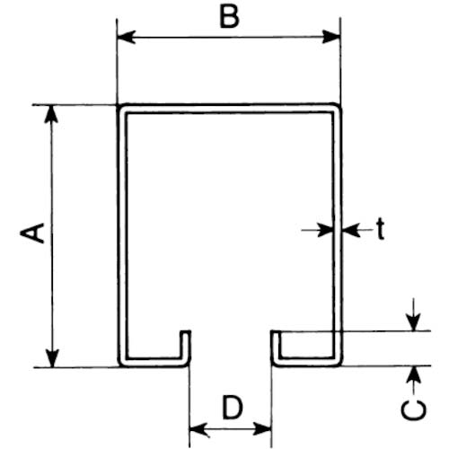
【仕様】●全長(mm):3640
●板厚(mm):1.6
●A(mm):57
●B(mm):47
●C(mm):6
●D(mm):16
●t(mm):1.6
【材質/仕上】●SGHC溶融亜鉛メッキ鋼板
●仕上:片面高品質ウレタン塗装
【原産国】日本

  • マイオーダーシートに追加
  • この商品について問い合わせ
  • 買い物かごへ入れる
[×閉じる]
合計点 :
お買い物を続ける

メーカー一覧


NP掛け払い

領収書についてはこちら

インボイスについてはこちら

メールが届かない場合

偽サイトにご注意ください

現場騎士コレガナイト

Twitter

インスタグラム

福岡ソフトバンクホークスの公式スポンサーです。

表示モード: スマートフォン | PC
お問い合わせ
このページの上部へ