ダイヤモンドカッターの使い方と注意点を解説!おすすめ10製品も

ダイヤモンドカッターは、円盤状の切断用パーツで様々な電動工具に取り付けて使用されます。
石材の切断に使われることが多いですが、カットする素材や厚みなどに合わせて製品が選べます。
今回は、
● ダイヤモンドカッターの基礎知識や注意点
● ディスクグラインダーでの使用方法
● 現場市場厳選のおすすめ製品
についてご紹介していきます。
INDEX
- 1.ダイヤモンドカッターとは?グラインダー等の工具に設置する部品
- 1-1.セグメント
- 1-2.リム(コンティニュアス)
- 1-3.ウェーブ
- 2.ダイヤモンドカッターを取り付ける工具
- 3.ダイヤモンドカッターの湿式と乾式とは?使用上の注意点
- 3-1.湿式
- 3-2.乾式
- 4.基本的なダイヤモンドカッターの使い方について
- 4-1.用途に合ったダイヤモンドカッターを選ぶ
- 4-2.フランジをダイヤモンドカッター用の物にする
- 4-3.ダイヤモンドカッターをグラインダーに取り付けてスパナ等で固定する
- 4-4.1分または3分試運転する
- 4-5.切断したい材料に垂直に当てながらカットする
- 5.ダイヤモンドカッターのおすすめ製品10選
- 5-1.E-Value ダイヤモンドカッター EDW-105W
- 5-2.モトユキ グローバルソー マルチメタルホイール”ガチメタ” GM-105
- 5-3.三京 塩ビカッター美楽 塩ビ管切断・面取り用 PED-4F
- 5-4.エビ ダイヤモンドカッター 切っ太郎(乾式) セグメントタイプ 305mm穴径30.5mm SK305305
- 5-5.三京 職人芸DXセグメント 硬質コンクリート・石材用 SS-DX4
- 5-6.TRUSCO ダイヤモンドカッター 105X1.7TX7WX20H セグメント TDCS-105
- 5-7.三京 職人芸セグメント 105mm SE-E4
- 5-8.SK11 フランジ付ダイヤカッター 105MM
- 5-9.モトユキ グローバルソー 万能刃 多種材切断用 金属溶着ダイヤモンドブレード BN-105
- 5-10.TOP 内径カッター14点セット TNC-4014S
- 6.まとめ
ダイヤモンドカッターとは?グラインダー等の工具に設置する部品

画像引用元:ダイヤモンドカッターの特長とそのタイプ、取り付け工具例 | 技術情報 | MISUMI-VONA【ミスミ】
ダイヤモンドカッターとは円盤(ディスク)状の切断用部品で、チップソー等ではカットできないコンクリートや石材といった硬い素材の切断・溝入れ・研磨などの作業に使われます。
外周部分が金属製でダイヤモンドの砥粒が埋め込まれた基盤となっており、切断能力が非常に優れているのが特徴です。
一般的には摩擦熱に弱いので金属の切断には向きませんが、金属切断も可能な製品も販売されています。ダイヤモンドカッターを金属切断に使いたい場合はパッケージやサイトの説明文をご確認ください。
ダイヤモンドカッターは外周部分のカッターの形状によって使用感が異なります。
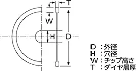
セグメント

画像引用元:ダイヤモンドカッターの特長とそのタイプ、取り付け工具例 | 技術情報 | MISUMI-VONA【ミスミ】
セグメントタイプは外周のカッター部分に大きく切込が入っているタイプです。
切込が入っていることで切断時の切粉が排出されやすく、熱が出にくく切れ味が良いのが特徴。
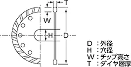
リム(コンティニュアス)

画像引用元:ダイヤモンドカッターの特長とそのタイプ、取り付け工具例 | 技術情報 | MISUMI-VONA【ミスミ】
外周のカッター部分にスリットが入っていないため、振動が少なく精度の高いカット作業ができます。
切り口がきれいに仕上がりますが、摩擦熱が発生しやすいため湿式で使用することが多いです。
ウェーブ

画像引用元:ダイヤモンドカッターの特長とそのタイプ、取り付け工具例 | 技術情報 | MISUMI-VONA【ミスミ】
外周のカッター部分表面に細かいスリットが入っているのがウェーブタイプです。
リムタイプとセグメントタイプの良い部分を兼ね備えた形状で、切れ味と仕上がりの良さが両立しています。
ダイヤモンドカッターを取り付ける工具

ダイヤモンドカッターは外径のサイズ・切込深さに応じて装着する工具が異なります。
| 電動工具 | 適合サイズ |
|---|---|
| ディスクグラインダー | 最大切込深さ:25〜60mm 外径:105〜180mm |
| 電動カッター | 最大切込深さ:〜125mm 外径:230〜305mm |
| エンジンカッター |
最大切込深さ:〜145mm 外径:250〜355mm |
| 丸ノコ |
最大切込深さ:20〜75mm 外径:80〜203mm |
| 道路カッター |
最大切込深さ:〜300mm 外径:250〜762mm |
※工具ごとの切込深さ・外径のサイズは目安です。
耐久性や切れ味も製品によって異なるので、切断する素材に合ったものを選びましょう。
ダイヤモンドカッターの湿式と乾式とは?使用上の注意点

ダイヤモンドカッターには、湿式用または乾式用と表記されています。
それぞれの違いについて見ていきましょう。
湿式
湿式はダイヤモンドカッターの使用中に水をかけるもので、大型工具用のダイヤモンドカッターに多いタイプです。
水をかけることで、カッターと切断部分を冷却でき、水が潤滑剤としての役割をするのでスムーズに作業ができます。
また、水をかけながら切断作業を行うため粉塵が舞わないというメリットもあります。
湿式タイプのデメリットとしては、作業時の設備が大がかりになったり、作業前後の処理が面倒などの点があげられます。
乾式
乾式は、水が不要でそのまま作業できるタイプのダイヤモンドカッターです。
ディスクグラインダーやエンジンカッターなど比較的小型の工具で使われるダイヤモンドカッターは乾式のものが多いです。
乾式は準備や排水処理の必要がない分手軽ですが、
● 湿式タイプよりも切断スピードは遅くなる
● 作業中に粉塵が大量に出る
などのデメリットがあります。
湿式・乾式両用タイプもありますが、選択肢が少なく価格も高くなってしまいます。
基本的なダイヤモンドカッターの使い方について

ダイヤモンドカッターをグラインダーで使用する際の、基本的な使い方についご紹介いたします。
保護用のゴーグル・手袋・マスク・長袖・長ズボンを着用の上で以下の手順を行いましょう。
用途に合ったダイヤモンドカッターを選ぶ
まずはダイヤモンドカッターを選びます。
ダイヤモンドカッターを選ぶ際は、
● 用途と材料
● 取り付ける電動工具のサイズ
● 希望する仕上がりに合った形状
を意識しましょう。
また、ディスクグラインダーには安全カバーを必ず取り付けてください。
フランジをダイヤモンドカッター用の物にする
次に、フランジにダイヤモンドカッターをはめます。
砥石と兼用のフランジをご使用の場合はダイヤ用の面を上にしてからダイヤモンドカッターを置いてください。
ビス穴付きのダイヤモンドカッターを使用する場合は、専用フランジの穴とディスクのビス穴を合わせてビス止めをします。
ダイヤモンドカッターをグラインダーに取り付けてスパナ等で固定する
ダイヤモンドカッターを取り付けたら、フランジナットを取り付けてスパナ等でしっかりと締め付けてダイヤモンドカッターを固定します。
ビス穴付きのダイヤモンドカッターを使用する場合は、グラインダー本体にあるロックピンを押してシャフトを固定します。
同様に固定した状態でスパナ等を使い締め付けてしっかりと取り付けます。
1分または3分試運転する
ダイヤモンドカッターを付け替えた時は作業前に3分以上、設置した後もその日最初に使う前に1分以上試運転しなければなりません。
労働安全衛生法で定められていることなので、必ず守りましょう。
試運転をしている際、ダイヤモンドカッターの動きや音におかしい点がないかよくご確認ください。
異常がある状態で作業に入ると、工具やダイヤモンドカッターの破損、ケガなどのトラブルが発生しかねません。
切断したい材料に垂直に当てながらカットする
準備が完了したらグラインダーの電源を入れて、カットしたい材料に対して垂直に当てながら切断していきます。
ダイヤモンドカッターは主に真っすぐカットするために使います。
専用のアタッチメントを使用すれば斜め切りはできますが、ジグザグに切ったり曲線切りなどはできません。
曲線切りができるダイヤモンドカッターも販売されてはいますが、かなり稀です。
ダイヤモンドカッターのおすすめ製品10選
現場市場で取り扱っているダイヤモンドカッターのおすすめ10選をご紹介いたします。
製品の価格、スペック、配送タイミングについてまとめておりますので、製品選びの際にぜひお役立てください。
E-Value ダイヤモンドカッター EDW-105W

| 商品名 | E-Value ダイヤモンドカッター EDW-105W |
|---|---|
| メーカー | 藤原産業株式会社 |
| 価格 | <%price_00301634%> |
| 発送 | メーカー取寄便(2〜3日後出荷) |
| 用途 | コンクリート・ブロック・レンガ・モルタル等切断作業用 |
| 仕様 |
・乾式専用 ・最高回転速度:14500(min-1) ・仕様機種:ディスクグラインダー100mm ・チッピングが少なく切り口がきれいなウェーブ形状 |
| サイズ |
外径:105mm 内径:20mm(15mm) 刃厚:2.1mm ダイヤ幅:7.0mm 重量:100g |
| 使用上の注意 |
即圧をかけずに使用し、曲線切りは避けてください。 乾式専用なので水を掛けての使用や濡れている材料の切断には使用しないでください。 |
商品ページはこちら
モトユキ グローバルソー マルチメタルホイール”ガチメタ” GM-105

| 商品名 | モトユキ グローバルソー マルチメタルホイール”ガチメタ” GM-105 |
|---|---|
| メーカー | (株)モトユキ |
| 価格 | <%price_01229935%> |
| 発送 | メーカー取寄便(2〜3日後出荷) |
| 用途 |
一般鉄鋼材・ステンレス・銅管・薄鉄板・非鉄金属・樹脂・FRP・トミジ管 ・塩ビ管・グクタイル鋳鉄管・スレート建材・モルタル・コンクリート・レンガ ・ゴム製品・タイル・木材(釘・ビス入り)等切断作業用 |
| 仕様 |
・乾式専用 ・最高回転速度:14500(min-1) ・適合機種:ディスクグラインダー/カッター ・真空金属溶着製法でダイヤモンド砥流の脱落を抑制、切断砥石と比較して最大123倍の寿命の長さ |
| サイズ |
外径:105mm 内径:20mm 刃厚:2.5mm ダイヤ層厚:1.4mm 付属リング穴径:15mm |
| セット内容 | リング |
商品ページはこちら
三京 塩ビカッター美楽 塩ビ管切断・面取り用 PED-4F

| 商品名 | 三京 塩ビカッター美楽 塩ビ管切断・面取り用 PED-4F |
|---|---|
| メーカー | 三京ダイヤモンド工業(株) |
| 価格 | <%price_01132323%> |
| 発送 | オレンジ特急便(1〜2日後出荷) |
| 用途 | 塩ビパイプやキッチンパネルの切断、面取りに。 |
| 仕様 |
・乾式専用 ・最高回転速度:14500(min-1) ・仕様機種:ディスクグラインダー ・オフセット型のため、キワ切り作業などに最適。 |
| サイズ |
外径:105mm 穴径:M10mm 刃厚:1.8mm チップ高さ:3.0mm ねじ径:M10mm |
| セット内容 | ワッシャー3枚 |
商品ページはこちら
エビ ダイヤモンドカッター 切っ太郎(乾式) セグメントタイプ 305mm穴径30.5mm SK305305

| 商品名 | エビ ダイヤモンドカッター 切っ太郎(乾式) セグメントタイプ 305mm穴径30.5mm SK305305 |
|---|---|
| メーカー | (株)ロブテックス |
| 価格 | <%price_00724811%> |
| 発送 | バリはや便(福岡から当日出荷可能) |
| 用途 | コンクリート・コンクリート二次製品・ブロック・レンガ・ALC・スレート等切断作業用 |
| 仕様 |
・乾式専用 ・最高回転速度:6500(rpm) ・仕様機種:ハンドタイプのエンジンカッター ・セグメントタイプ ・材質 代金:工具鋼 チップ:ダイヤ砥粒他 |
| サイズ |
外径:305mm 刃厚:2.8mm 穴径:30.5mm チップ高さ:7mm ダイヤ幅:7.0mm 重量:100g |
| セット内容 | リング(穴径:25.4mm/22mm/20mm) |
| 使用上の注意 |
機械メーカー指定の保護カバー(ホイールガード)を必ず正しく取付てください。 切断用ホイールでは、ジグザク切断・曲線切り・コジリ・側面使用・ガイドを使用しない斜め切りは絶対にしないでください。 |
商品ページはこちら
三京 職人芸DXセグメント 硬質コンクリート・石材用 SS-DX4

| 商品名 | 三京 職人芸DXセグメント 硬質コンクリート・石材用 SS-DX4 |
|---|---|
| メーカー | 三京ダイヤモンド工業(株) |
| 価格 | <%price_01140369%> |
| 発送 | オレンジ特急便(1〜2日後出荷) |
| 用途 | 硬質コンクリート等切断作業用 |
| 仕様 |
・乾式専用 ・最高回転速度:14500(rpm) ・仕様機種:ディスクグラインダー ・ショートチップで切れ味をアップしています。 |
| サイズ |
外径:105mm 内径:20mm 刃厚:1.8mm チップ高さ:8mm |
| 材質 |
代金:工具鋼 刃先:ダイヤ砥粒 |
| 使用上の注意 | 使用前にケースに記載している注意事項、電動工具説明書の指示に必ず従ってください。 |
商品ページはこちら
TRUSCO ダイヤモンドカッター 105X1.7TX7WX20H セグメント TDCS-105

| 商品名 | TRUSCO ダイヤモンドカッター 105X1.7TX7WX20H セグメント TDCS-105 |
|---|---|
| メーカー | トラスコ中山(株) |
| 価格 | <%price_00727495%> |
| 発送 | オレンジ特急便(1〜2日後出荷) |
| 用途 | 硬質コンクリート・スレート・ブロック・レンガ等切断作業用 |
| 仕様 |
・乾式専用 ・最高回転速度:15000(rpm) ・仕様機種:ディスクグラインダー100mm ・鉄筋コンクリートおよびコンクリート構造物などの改修や補修に適しており、良好な切れ味が持続します。 |
| サイズ |
外径:105mm 内径:20mm(15mm) 刃厚:1.7mm ダイヤ幅:7.0mm 形状:セグメントタイプ |
| 材質 |
代金:工具鋼 チップ:ダイヤ砥粒 |
商品ページはこちら
三京 職人芸セグメント 105mm SE-E4

| 商品名 | 三京 職人芸セグメント 105mm SE-E4 |
|---|---|
| メーカー | 三京ダイヤモンド工業(株) |
| 価格 | <%price_00724365%> |
| 発送 | オレンジ特急便(1〜2日後出荷) |
| 用途 | コンクリート・ブロック・レンガ・モルタル等切断作業用 |
| 仕様 |
・乾式専用 ・最高回転速度:14500(min-1) ・仕様機種:ディスクグラインダー |
| サイズ |
外径:105mm 内径:20mm 刃厚:1.7mm チップ高さ:6mm 付属リング穴径:15mm |
| 材質 |
代金:工具鋼 刃先:ダイヤ砥粒 |
| セット内容 | 調整リング:20→15mm |
商品ページはこちら
SK11 フランジ付ダイヤカッター 105MM

| 商品名 | SK11 フランジ付ダイヤカッター 105MM |
|---|---|
| メーカー | 藤原産業株式会社 |
| 価格 | <%price_00301639%> |
| 発送 | メーカー取寄便(2〜3日後出荷) |
| 用途 | コンクリート・ブロック等の際切り切断作業用 |
| 仕様 |
・乾式専用 ・最高回転速度:14500(min-1) ・仕様機種:ディスクグラインダー100mm ・チッピングが少ないウェーブ状の刃先 |
| サイズ |
外径:105mm 内径(ネジ径):M10xP1.5mm 刃厚:1.9mm ダイヤ幅:7.0mm 重量:160g |
| 使用上の注意 | 使用前に毎回フランジ部分の緩み・ガタつきがないかご確認ください。 |
商品ページはこちら
モトユキ グローバルソー 万能刃 多種材切断用 金属溶着ダイヤモンドブレード BN-105

| 商品名 | モトユキ グローバルソー 万能刃 多種材切断用 金属溶着ダイヤモンドブレード BN-105 |
|---|---|
| メーカー | (株)モトユキ |
| 価格 | <%price_00712883%> |
| 発送 | オレンジ特急便(1〜2日後出荷) |
| 用途 |
コンクリート・薄鉄板・塩ビ・タイル・スレート・FRP ・大理石・窯業サイディング等切断や溝入れ作業用 |
| 仕様 |
・乾式専用 ・最高回転速度:14500(rpm) ・仕様機種:ディスクグラインダー100mm ・真空金属溶着製法によって砥粒が脱落しにくく切れ味が長持ちします。 |
| サイズ |
外径:105mm 内径:20mm チップ高さ:5mm ダイヤ層厚:2.2mm ダイヤ層幅:5.0mm |
| 材質 |
代金:工具鋼 チップ:ダイヤ砥粒 |
商品ページはこちら
TOP 内径カッター14点セット TNC-4014S

| 商品名 | TOP 内径カッター14点セット TNC-4014S |
|---|---|
| メーカー | トップ工業 |
| 価格 | <%price_00728471%> |
| 発送 | オレンジ特急便(1〜2日後出荷) |
| 用途 | 立ち上げ塩ビ管の内面切断などに |
| 仕様 |
・切断適応サイズ:VP50〜100、VU40〜200 ・仕様機種:インパクトドライバー/ディスクグラインダー(延長アダプタ使用) |
| 材質 | 特殊合金鋼 |
| セット内容 |
・延長ロングアダプター(TNC-40AL-H) ・延長アダプター本体(TNC-40A-H) ・ガイド板本体(TNC-40G-H) ・落下防止アダプター(TNC-R) ・替刃(TNC-40C) ・カラー小/大(TNC-KS/KL)x各2個 ・ナット(TNC-N)x2個 ・落下防止ストラップ(ERB-S) ・変換アダプター(TNC-M16A) ・六角棒レンチ2.5mm(HES-25) ・ケース |
| 使用上の注意 |
電動ドリル・充電ドリルは正回転でご使用ください。 刃やカラーを交換した時は、しっかりとナットを締めてください。 |
商品ページはこちら
まとめ
ダイヤモンドカッターは石材やコンクリートの切断に使われます。
形状によって使用感や仕上がりが変わってくるので、素材や用途に合わせて使い分けましょう。
ダイヤモンドカッターはディスクグラインダーや丸ノコ、エンジンカッターなど様々な電動工具で使われますが、いずれの場合も作業前に安全性に十分に注意してください。
現場市場マガジンでは、本記事のような皆様が商品選びに困った際のポイントや注意点など現場で働く方には欠かせないコンテンツをご提供しております。
本記事が役に立ったと思っていただけましたら、是非
#オオスキ現場市場
#現場市場マガジン
本記事のURLを掲載の上、TwitterやFacebookでつぶやいていただけますと幸いです。
公式SNSはこちら
この記事を書いた人
![]()
ヤス
愛車はシトロエンC3。前職は家具メーカーのECサイト運営。現場市場の企画・撮影を担当。知られざる「現場にあると嬉しいモノ」を知ってもらうことを目的に活動中。休日の日課はもちろん洗車です!
投稿一覧へ

















ヤスのコメント
カッターと名前はついてますがダイヤモンドの圧倒的な硬さで実質ゴリゴリと削り、砕いています。
コンクリートもなんのそのでそんなことが出来るので改めてダイヤモンドは凄いと思います。
余談ですがかつて世界最大級と言われたダイヤモンドを切り分けるときには、あまりの硬さと重さに幾個の工具が壊れたんだとか…
今は人工とはいえど逆にダイヤモンドを工具の一部として使うので人間も凄いなと思います。